- 雷达液位计料位计系列产品
- 压力/液位/差压/密度变送器
- 液位仪表系列
- 流量仪表系列
- 物位仪表系列
- 液位/温度/压力/流量-报警仪
- PLC/DCS自动化控制监控系统
- GPRS无线远传装置
- 有纸/无纸记录仪系列
- 温度仪表系列
- 分析仪|检测仪|校验仪系列
全国销售热线:400-9280-163
电话:86 0517-86917118
传真:86 0517-86899586
销售经理:1560-1403-222 (丁经理)
??? ? ? ? 139-1518-1149 (袁经理)
业务QQ:2942808253 / 762657048
网址:http://www.d-angle.cn
电话:86 0517-86917118
传真:86 0517-86899586
销售经理:1560-1403-222 (丁经理)
??? ? ? ? 139-1518-1149 (袁经理)
业务QQ:2942808253 / 762657048
网址:http://www.d-angle.cn
静压投入式液位变送器在原水池自动供水改造中的应用
发表时间:2018-07-16 ??点击次数:1112? 技术支持:1560-1403-222
一、概述
静压投入式液位变送器是一种在各类供水现场中使用较为**的一种液位测量仪表,其测量原理是通过投入水中的水压控制探头监测水的压力,并且将测量的水压值与外部的大气压力作比较处理计算,通过内置的数字计算单元得到实际水位数值。因为其使用简单,后续的维护工作量小,在工农业生产及各类生产生活的液位测量领域都得到了大量的应用,本文针对于静压投入式液位计在测量原水池中,通过对DCS的联动控制,将测量的远传信号传递至控制部门,以实现远程自动化控制水位变化的功能。
本文所说的原水池主要是指用于生产、生活及消防用水的储存,在原设计中原水池供水需人工到现场开启深井泵,操作室离现场较远,如果仅仅依靠人工干预水位的控制,常?;嵩斐伤耐庖纾斐刹槐匾睦朔选Mü栽毓┧低车母脑?,配合静压投入式液位变送器的使用,做到让原水池能够自动供水。从而达到节约用水,节省人力的目的。
二、改造方案
针对以上存在的问题,对原水池的供水方式进行了改造,由原人工操作改为自动控制。
1.原水池液位的测量:原水池原来液位没有计量,液位的高低完全由现场操作人员观察,增加了职工的劳动强度,现在采取投入式静压式液位变送器配备相应的二次仪表,此液位计不仅能够显示液位的高低,而且还能够输出一个4—20mA 信号,这样不仅在操作室增加了液位指示,而且还可以将4—20mA 的模拟量信号送给DCS,作为控制信号 。
2.DCS 控制:因我单位原有的控制系统为DCS 控制,而且有多余的I/O 接口,因此,确定采用DCS控制,DCS 接收到液位计输入的4—20mA 的模拟量信号后,将此信号转化为相应的液位量,而且设定液位高(H)、低(L)限报警值,液位信号与设定值进行比较,当现场液位在H、L 之间时没有输出,当现场液位指示等于L 时,DCS 输出一个开启泵信号,直至液位到达H 时,停止信号输出。当液位再一次降到L 时,又重新给出开启泵信号,如此往复循环。
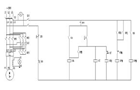
3.控制柜的控制回路改进:原设计因为为人工操作,所以没有相应的自控部分,原设计如图1 所示,
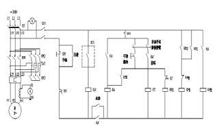
泵的启动方式为星—三角启动,有相应的开、停指示。改进后如图2 所示。
图1 改造前控制柜的控制回路

图2 改造后控制柜的控制回路
改进后的回路只在原来的基础上增加了一手动、自动转换开关及中间继电器KA,投资很小,当转换开关置于自动位置时,当控制回路接收到DCS 的导通信号时,中间继电器KA,得电吸合,辅助触点闭合,控制回路导通,使泵开启;当控制回路接收到DCS 的停止信号时,中间继电器KA,失电,辅助触点断开,控制回路断开,使泵停止工作。

三、结束语
通过此次改造后,经过一段时间的运行,原水池再没有发生溢水的情况,而且减轻了工人的劳动强度,能够更好的投入到其他的工作中去。
上一条:差压液位变送器在核电站液位测量中的应用分析及故障解决
下一条:抗干扰型磁翻板液位计改造方案与投产情况分析
静压投入式液位变送器是一种在各类供水现场中使用较为**的一种液位测量仪表,其测量原理是通过投入水中的水压控制探头监测水的压力,并且将测量的水压值与外部的大气压力作比较处理计算,通过内置的数字计算单元得到实际水位数值。因为其使用简单,后续的维护工作量小,在工农业生产及各类生产生活的液位测量领域都得到了大量的应用,本文针对于静压投入式液位计在测量原水池中,通过对DCS的联动控制,将测量的远传信号传递至控制部门,以实现远程自动化控制水位变化的功能。
本文所说的原水池主要是指用于生产、生活及消防用水的储存,在原设计中原水池供水需人工到现场开启深井泵,操作室离现场较远,如果仅仅依靠人工干预水位的控制,常?;嵩斐伤耐庖纾斐刹槐匾睦朔选Mü栽毓┧低车母脑?,配合静压投入式液位变送器的使用,做到让原水池能够自动供水。从而达到节约用水,节省人力的目的。
二、改造方案
针对以上存在的问题,对原水池的供水方式进行了改造,由原人工操作改为自动控制。
1.原水池液位的测量:原水池原来液位没有计量,液位的高低完全由现场操作人员观察,增加了职工的劳动强度,现在采取投入式静压式液位变送器配备相应的二次仪表,此液位计不仅能够显示液位的高低,而且还能够输出一个4—20mA 信号,这样不仅在操作室增加了液位指示,而且还可以将4—20mA 的模拟量信号送给DCS,作为控制信号 。
2.DCS 控制:因我单位原有的控制系统为DCS 控制,而且有多余的I/O 接口,因此,确定采用DCS控制,DCS 接收到液位计输入的4—20mA 的模拟量信号后,将此信号转化为相应的液位量,而且设定液位高(H)、低(L)限报警值,液位信号与设定值进行比较,当现场液位在H、L 之间时没有输出,当现场液位指示等于L 时,DCS 输出一个开启泵信号,直至液位到达H 时,停止信号输出。当液位再一次降到L 时,又重新给出开启泵信号,如此往复循环。
3.控制柜的控制回路改进:原设计因为为人工操作,所以没有相应的自控部分,原设计如图1 所示,
泵的启动方式为星—三角启动,有相应的开、停指示。改进后如图2 所示。

图1 改造前控制柜的控制回路

图2 改造后控制柜的控制回路
改进后的回路只在原来的基础上增加了一手动、自动转换开关及中间继电器KA,投资很小,当转换开关置于自动位置时,当控制回路接收到DCS 的导通信号时,中间继电器KA,得电吸合,辅助触点闭合,控制回路导通,使泵开启;当控制回路接收到DCS 的停止信号时,中间继电器KA,失电,辅助触点断开,控制回路断开,使泵停止工作。

三、结束语
通过此次改造后,经过一段时间的运行,原水池再没有发生溢水的情况,而且减轻了工人的劳动强度,能够更好的投入到其他的工作中去。
上一条:差压液位变送器在核电站液位测量中的应用分析及故障解决
下一条:抗干扰型磁翻板液位计改造方案与投产情况分析
相关产品
- 相关文章
-
- 80G 高频雷达物位计液位计适用于泡沫和搅拌工况的原因分析 【2025-08-06】
- 80G高频雷达液位计防腐防爆耐高温的功能是如何实现的? 【2025-07-23】
- 高频雷达液位计在石油行业液位测量应用中的优势有哪些 【2025-07-17】
- 雷达液位计测量时如何有效规避搅拌叶片和泡沫的干扰? 【2025-07-07】
- 法兰液位变送器厂家 【2023-12-18】
- 压力液位变送器不亮 【2024-01-06】
- 液位变送器的校准周期 【2024-01-03】
- 压力液位变送器四线 【2024-01-03】
- 简析远传磁翻板液位计出现消磁的原因及相关的故障解决方法 【2015-03-25】
- 差压变送器测液位和流量 【2023-12-26】