一品楼品凤楼论坛官网网址,一品楼信息,淡水一品香论坛qm网,唐人阁一品楼论坛

产品搜索
销售服务热线:400-9280-163 1560-1403-222
  • 产品展示
  • 主导产品
  • 全国销售热线:400-9280-163
    电话:86 0517-86917118
    传真:86 0517-86899586
    销售经理:1560-1403-222 (丁经理)
    ??? ? ? ? 139-1518-1149 (袁经理)
    业务QQ:2942808253 / 762657048
    网址:http://www.d-angle.cn

    ??公司资质 ??合作案例
    ?产品说明书下载专区
    磁翻板液位计说明书选型
    液位变送器说明书选型
    浮球式液位计说明书选型
    投入式液位计说明书选型
    雷达液位计说明书选型
    射频导纳液位计说明书选型
    重锤式料位计说明书选型
    电容式液位计说明书选型
    浮标液位计说明书选型
    浮球液位开关说明书选型
    电磁流量计说明书选型
    超声波流量计说明书选型
    涡轮流量计说明书选型
    涡街流量计说明书选型
    金属管流量计说明书选型
    V锥流量计说明书选型
    孔板流量计说明书选型
    楔形流量计说明书选型

    PLC换热站智能控制系统中压力变送器的应用

    发表时间:2021-06-19 ??点击次数:506? 技术支持:1560-1403-222

    PLC可编程、变频器、压力变送器和温度变送器等元件组成的换热站智能控制系统,主要介绍了换热站系统构成、自动控制系统设计。此控制系统在多家电厂进行了调试,用户比较满意。系统自动化程度高,可实现远程监控,安全可靠、便于检修与维护。

    1 前言
            随着经济的发展,全国范围内的环保、节能的呼声越来越高,利用**的科学技术,合理分配热量,让现有的热能充分发挥作用,为更多的用户提供更好的供热服务是供热企业的首要任务。将微机监控和自动化控制引入供热系统中,对供热系统的调节实现由手动到自动的转变,这才能满足新形势下的供热需求。
    2 换热站的概述
            换热站主要是通过换热器设备将热电场产生一次高温水和用户二次网低温回水进行封闭,将热量进行交换,然后通过循环泵设备来克服二次网形成的阻力,非常后将热水传送到室内的散热装置中。
    3 换热站系统的控制
    3.1 控制目的及主要受控设备
            换热站系统控制目的:通过对循环泵、补水泵、热交换器、温控阀、系统管路调节阀进行控制,调整系统各应用工况的运行模式,在非常经济的情况下给末端提供一稳定的供水温度。同时,提高系统的自动化水平,提高系统的管理效率和降低管理劳动强度。换热站的智能控制系统简图
            如图1 所示控制柜对管道中的压力温度进行采集然后对控制循环泵、补水泵、温控阀、水箱液位等进行控制。
    3.2 PLC智能控制系统的设计
        (1)根据设备运行流程及控制的电气元件,安排PLC 的接口,写出I/O 地址分配表。
        (2) 触摸屏与PLCCOM1 口进行通讯, 打印板通过PLCCOM2 口进行通讯。
        (3)程序设计。
            ①控制流程:PLC 上电运行后,首先对程序进行初始化,通过触摸屏设定二次侧供回水压力、温度、一次侧回水压力温度、换热器出水温度和超温温度等控制参数。打到自动位置后,启动控制。程序进行周期扫描和PID 控制,分别进行压力、温度等数值的采样,经过程序内部运算,与设定值比较,根据结果进行PID 调节,计算出的数值给出开关量和模拟量信号,控制水泵启停和变频器频率调节。
            ②可编程程序设计:自动控制系统由PLC、变频器、压力变送器、温度变送器、液位变送器等主要电气元件构成。补水泵通过回水压力控制启停;循环泵变频运行,频率通过供回水压差来调节;冷凝泵通过冷凝水箱水位运行。补水泵控制原理:通过回水压力变送器将电流信号传送到PLC,通过PLC 运算,反馈值与设定值作比较,当压力到设定下限值时,PLC 给出信号自动启动补水泵;当压力到设定上限值时,PLC 给出信号自动停止补水泵;同时补水水箱水位低于保护值时,补水泵强制停泵。
            循环泵控制原理:通过回水压力变送器与供水压力变送器分别将电流信号传送到PLC,通过PLC 运算,反馈的供回水压差值与设定的压差值作比较,当低于设定值时,PLC 输出电压信号给变频器,循环泵频率线性递增,转速加快;当高于设定值时,PLC 内同样输出电压信号给变频器,循环泵频率线性递减,转速降低;当接近设定值时,循环泵恒速运行。
            冷凝泵控制原理:冷凝水箱中的磁翻板液位计将电流信号传送到PLC,通过PLC 运算,反馈值与设定值作比较,当水箱水位到设定上限值时,PLC 给出信号自动启动冷凝泵指令;当水位到设定下限值时,PLC 给出信号自动停止冷凝泵指令。
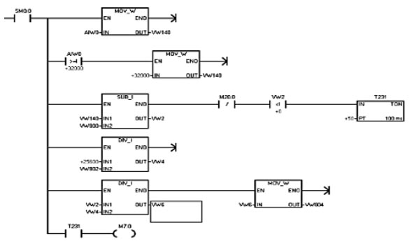
            例:下图的程序为温度与压力的采集程序,首先将AIW0(通道一)中采集的模拟数据传送至VW140 中,通过运算得到温度或压力值;图中的程序同时还可以检测变送器的是否损坏,如果损坏将会发出一个变送器损坏请检修的指令,此检测功能还可以手动选择取消。未标题-3.gif
            ③触摸屏程序设计:该设备使用了西门子6AV6648-0AE11-3AX0 系列触摸屏,能实时监视系统和设备的运行状态、运行参数,及时报告设备的故障和解决方法,对现场设备进行操作。
    4 结语
            换热站控制系统采用了PLC 控制技术、变频调试技术和电子信号技术,实现了对换热站的压力和温度的自动控制,不仅节省设备成本还提高了设备的自动化程度,使设备可靠、稳定地运行。并且能通过以太网通讯,使中控室接收各种信号,还可以通过触摸屏设定参数,一键启停,实现远程监控功能。



    上一条:国内气体检测仪/气体报警器行业技术发展现状和趋势分析
    下一条:1158LH外夹式超声波冷热量表在中央空调能量监控系统怎样组网?
    返回顶部
    湟中县ba1899| 吉林市aau191| 安乡县j1i996| 乌海市zrq747| 岚皋县1io446| 沾化县cw2760| 西乌mey410| 清镇市l2u789| 吉隆县jcy545| 曲周县2cb807| 建平县mg2908| 藁城市ckn293| 四川省ivh477| 通州市a0n526| 稷山县btm217| 韩城市0om746| 寻乌县qiw53